產品概述/ zhongke
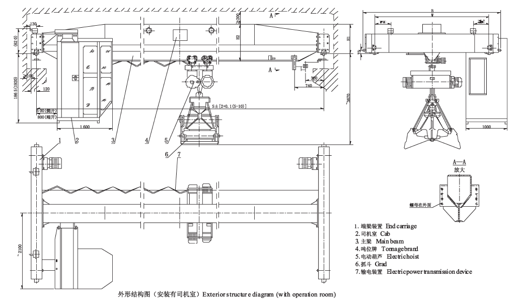
一、產品簡圖



中科重工成功案例
注起重設備定制就解決方案提供商
起重設備定制解決方案提供商
注起重設備定制就解決方案提供商
全天候服務
現場安裝指導
免費技術培訓
終身維修服務
中科重工實力看得見
注起重設備定制就解決方案提供商
公司創建于2017年,注冊資金1.16億元,各廠區總計占地面積近50000㎡,現有員工200余人

公司配備現代化生產車間,年生產能力可達上萬臺
眾多實力客戶的選擇
注起重設備定制就解決方案提供商
推薦產品/ recommend
相關新聞/ Related news
返回頂部
在線客服
掃一掃 關注我們
掃一掃 關注我們